Kontakt Serwis Gdzie kupić

BLANCO FONTAS II

2 w 1: woda z wodociągu i woda filtrowana bezpośrednio z jednej baterii

  • Komfortowa bateria typu 2 w 1 z dźwignią uruchamiającą dopływ wody z wodociągu umieszczoną z prawej strony i dźwignią wody uzdatnionej z lewej strony
  • Higieniczna: Oddzielne doprowadzenie wody i osobna wylewka wody pitnej uzdatnionej – brak możliwości zmieszania z wodą z wodociągu
  • Oszczędność miejsca i praktyczne rozwiązanie: dzięki wylewce z podwójną funkcją nie ma konieczności wycinania oddzielnego otworu na wylewkę z wodą uzdatnioną
  • Zintegrowana wylewka dla obu dopływów wody ze specjalnym regulatorem strumienia

 

dane techniczne:

  • Ruchoma wylewka
  • Wymagany otwór pod baterię o średnicy 35 mm
  • Głowica ceramiczna
  • 3 elastyczne przewody przyłączeniowe długości 450 mm i nakrętka 3/8” gwarantują szybki i pewny montaż
  • Opatentowany regulator strumienia redukuje osadzanie się kamienia na główce baterii
  • Płyta usztywniająca zwiększa stabilność baterii przy montażu ze zlewozmywakami stalowymi
  • Planowana certyfikacja LGA
Producent:BLANCO
Indeks:523137
EAN:4020684676885
Grupa:Grupa studyjna
Kolor:Szarość skały/Chrom
Rodzaj:Mieszakowa
Wyciągana wylewka:NIE
Typ produktu:2-uchwytowa
Kąt obrotu:360
Styl:Special
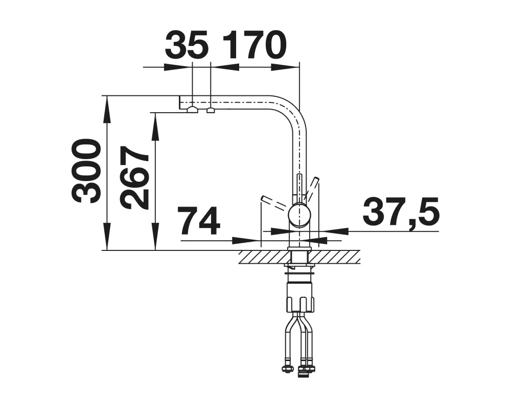
Wysokość:300 mm
Wysokość wypływu wody:267 mm
Zasięg wylewki:205 mm
Otwór montażowy:śr 35 mm
Podłączenie do filtra:TAK
Materiały do pobrania

2 LATA GWARANCJI Comitor

 

 

 

Zapisz

Zapisz

Zapisz

Produkty polecane
BLANCO Antybakteryjna ściereczka czyszcząca z mikrofazy Indeks: 126999 30,00 zł
BLANCO Filtr zaworu kątowego Indeks: 128434 110,00 zł
BLANCO LATO - dozownik Silgranit-Look szarość skały/chrom Indeks: 525817 310,00 zł
BLANCO wkład do baterii filtrujący Soft M z magnezem Indeks: 526260 670,00 zł
BLANCO wkład do baterii filtrujący Soft S Indeks: 526259 490,00 zł
BLANCO GmbH & Co. KG
Flehinger Straße 59
75038 Oberderdingen Niemcy
Satin GOLD
Do góry
Masz pytania?

W czym możemy pomóc?

INFOLINIA
801 BLANCO (25 26 26)
Wyślij zapytanie
Porównanie produktów:
Porównaj
COMITOR

Zapisz się
do Newslettera Poznaj nasze nowości oraz wyjątkowe oferty


COMITOR

Akceptacja RODO

Szanowna Użytkowniczko, Szanowny Użytkowniku,

 

Zanim przejdziesz do serwisu lub zamkniesz to okno, prosimy o przeczytanie tej informacji. W związku z wprowadzanymi zmianami dotyczącymi przetwarzania danych osobowych, chcielibyśmy podzielić się z Państwem informacją o zasadach przetwarzania Państwa danych osobowych przez firmę COMITOR. Klikając „Przejdź do serwisu” lub zamykając okno, zgadzasz się na poniższe warunki.

 

Zgodnie z art. 13 ogólnego rozporządzenia o ochronie danych osobowych z dnia 27 kwietnia 2016 r. (dalej jako: „Rozporządzenie”) COMITOR sp. z o. o. informuje, iż:

  1. administratorem Pani/Pana danych osobowych jest COMITOR sp. z o. o. z siedzibą w Łodzi, ul. Laskowicka 24, 94-111 Łódź, NIP 7272547437, KRS 0000088742 (dalej jako: „COMITOR”, „Comitor sp. z o.o.”);
  2. COMITOR powołał Inspektora ochrony danych osobowych. Inspektorem ochrony danych osobowych jest pani Elżbieta Baćko, dostępna pod numerem telefonu: 42 689 10 04 oraz adresem mailowym: iodo@comitor.pl.
  3. Wspólne administrowanie danymi osobowymi na podstawie art. 26 ust. 1 Rozporządzenia nie ma wpływu na realizację uprawnień przysługujących Pani/Panu na podstawie Rozporządzenia.
  4. Przetwarzamy Pani/Pana dane osobowe z uwagi na korzystanie przez Panią/Pana z naszych usług, tj. na podstawie art. 6 ust. 1 lit. b Rozporządzenia. Jeżeli korzysta Pani/Pan z naszej oferty wydłużonej gwarancji – w celu realizacji wybranej przez Panią/Pana opcji gwarancji. Niezależnie od powyższego, może Pani/Pan udzielić odrębnej, dobrowolnej zgody na otrzymywanie informacji handlowych COMITOR.
  5. Pani/Pana dane osobowe mogą być także przetwarzane w celu marketingu bezpośredniego, na podstawie art. 6 ust. 1 lit. f Rozporządzenia.
  6. Odbiorcą Pani/Pana danych osobowych będą nasi zaufani partnerzy – operatorzy płatności, operatorzy płatności elektronicznych, obsługujące nas podmioty informatyczne, producenci wybranego przez Państwa towaru (jeżeli jest to niezbędne dla realizacji uprawnień wynikających z gwarancji), a w razie takiej konieczności – także obsługujące nas kancelarie prawne.
  7. Pani/Pana dane osobowe nie będą przekazywane do państwa trzeciego/organizacji międzynarodowej.
  8. Pani/Pana dane osobowe będą przechowywane przez okres realizacji na Pani/Pana rzecz wybranej usługi, a jeżeli korzysta Pani/Pan z naszej wydłużonej gwarancji – także przez czas, na który udzielana jest gwarancja. Jeżeli udzielił Pan/Pani zgody na przesyłanie informacji handlowych – wtedy podany adres e-mail przechowany będzie także do czasu cofnięcia zgody, na warunkach określonych w formularzu zgody marketingowej.
  9. W każdym momencie przysługuje Pani/Panu prawo dostępu do swoich danych osobowych, prawo do żądania poprawienia, usunięcia lub ograniczenia przetwarzania tych danych a także prawo do przenoszenia danych.
  10. Z przyczyn związanych z Pani/Pana szczególną sytuacją przysługuje Pani/Panu prawo wniesienia sprzeciwu przeciwko przetwarzaniu danych, bez podania przyczyny jest Pani/Pan uprawniony do wniesienia sprzeciwu, gdy dane wykorzystywane są do celów marketingu bezpośredniego.
  11. Ma Pani/Pan prawo wniesienia skargi do Prezesa Urzędu Ochrony Danych osobowych, gdy uzna Pani/Pan, iż przetwarzanie Pani/Pana danych osobowych jest sprzeczne z przepisami prawa.
  12. Podanie przez Panią/Pana danych osobowych jest warunkiem zawarcia umowy i realizacji usługi. Podanie danych jest dobrowolne, jednak konsekwencją niepodania danych osobowych będzie brak możliwości świadczenia na Pana/Pani rzecz wybranej usługi.
  13. Jeżeli korzystają Państwo z naszej strony internetowej, korzystamy z ciasteczek oraz Google Analytics. Więcej informacji znajdą Państwo w naszej Polityce Prywatności.

Więcej informacji o RODO znajdą Państwo m.in. tutaj.

Gdyby mieli Państwo jakiekolwiek pytania, prosimy o kontakt – chętnie udzielimy Państwu dalszych informacji.

Pozdrawiamy, zespół COMITOR sp. z o.o.

Ustawienia zaawansowane